耐摩耗性、耐久性などの機能性向上を目的とした素材開発
当社では、耐摩耗性、耐久性などの機能性向上を目的とした特殊材質の研究開発も行っています。
湯流れ、凝固、残留応力、変形、歪み、強度など金属組織を分析し、強度、金属疲労、金属寿命に優れた素材の開発にチカラを入れています。


新材質・新素材の研究開発
プレス金型用 超ハイテン鋼板対応鋳鉄
《TOSシリーズ》
| 適応製品 | 材質名 | 引張り 強さ | 硬度 | FH硬度 |
| Mpa | HB | HRC | ||
| プレス | FCD600P | ≧600 | 210~270 | 43±3 |
| TOS700 | ≧700 | 240~300 | 53±3 | |
| TOS800 | ≧800 | 240~340 | 58±3 |
| 適応製品 | プレス |
|---|---|
| 引張り 強さ (Mpa) |
|
| 硬度 (HB) |
|
| FH硬度 |
|
特徴
| TOS800 | フレームハードにより硬度HRc58を実現 ハイテン鋼板用切刃やドロー部材に最適(工具鋼の代替) 超ハイテン対応への表面硬化処理技術を確立 |
|---|---|
| TOS700 | フレームハードにより硬度HRc55を実現 切刃材、或いは構造材・パンチ・ダイの一体構造材に最適 |
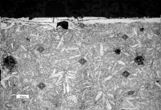
TOS800
フレームハード後の組織

《TFGシリーズ》
| 適応製品 | 材質名 | 引張り 強さ | 硬度 | FH硬度 |
| Mpa | HB | HRC | ||
| プレス | FC300P | ≧300 | 190~240 | 37±3 |
| TFG450 | ≧450 | 200~250 | 55±3 |
| 適応製品 | プレス |
|---|---|
| 引張り 強さ (Mpa) |
|
| 硬度 (HB) |
|
| FH硬度 |
|
プレス金型用窒化鋳鉄(Nシリーズ)
| 適応製品 | 焼入れ | 材質名 | 引張り 強さ | 硬度 | FH硬度 | 窒化処理硬さ |
| Mpa | HB | HRC | HV | |||
| プレス | 前 | TOS800N | ≧800 | 240~300 | 1000 | |
| 後 | 58±3 | 1100 | ||||
| 前 | TFG450N | ≧450 | 200~250 | - | 900 | |
| 後 | 53±3 | 1000 |
| 適応製品 | プレス |
|---|---|
| 引張り 強さ (Mpa) |
|
| 硬度 (HB) |
|
| FH硬度 (HRC) |
|
| 窒化処理硬さ |
|
特長
- 表面硬さが高く硬化層が深い
- ドロー型やフォーム型に最適
- 耐摩耗性、メンテナンス性に優れている
- コスト低減が可能
- 他分罫への適用展開が可能
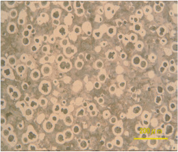
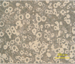
窒化処理材表面近傍の顕微鏡組織
| 温度(℃) | 材質 | |
| TOS800N | TFG450N | |
| 450 | ![]() |
![]() |
| 600 | ![]() |
![]() |

プレス金型の試作と量産試験
ドロー型の試作と成形《TFG450N》
成形性良好

成形性良好

フォーム型の試作と量産試験《TOS800N》
45万ショット量産実績 量産中

45万ショット量産実績 量産中

ビード部埋金への適用《TOS800N》
現在量産中

現在量産中

ダイカストホルダー専用材質
《TFDシリーズ》
| 適応製品 | 材質名 | 引張り 強さ | 耐力 | 伸び | 硬度 | ヤング率 |
| Mpa | Mpa | % | HB | Gpa | ||
| ダイカスト | FCD600※ | ≧600 | ≧320 | ≧7 | 150~230 | 155~175 |
| TFD600 | ≧600 | ≧360 | ≧10 | 180~260 | 160~180 | |
| TFD650HH | ≧650 | ≧400 | ≧10 | 190~270 | 170~185 | |
| TFD800 | ≧800 | ≧480 | ≧2 | 260~320 | 175~195 | |
| SCMn3A※ | ≧640 | ≧370 | ≧13 | ≧170 | 200(参考) |
| 適応製品 | ダイカスト |
|---|---|
| 引張り 強さ (Mpa) |
|
| 耐力 (Mpa) |
|
| 伸び (%) |
|
| 硬度 (HB) |
|
| ヤング率 (Gpa) |
|
※はJIS規格
特徴
- 鋳鋼の代替え材質として開発!!
- 鋳鋼と比較し、製造リードタイムが速く、材料費、加工工数のコストダウンを実現!!
- スペックを極限まで高めることで鋼クラスの高い剛性を実現!!
TFDが選ばれる理由
- 結晶組織が微細で、厚肉製品に適している
- 内部引け巣などの欠陥がなく、内部まで均一な組織を有している
- 良好な溶接性(メンテナンス性)を有します
- 設計領域での高い自由度が期待出来る
- 製品と同一形状の模型を3次元CADでデータ作成する為、少ない取り代でニアネットシェイプ化可能
材質ごとの特徴
TFD800- 従来のTFDシリーズより更に高い強度を実現
- 超微細黒鉛組織により、水脆化に強く、ポケット部の腐食によるヘタリを抑制し、長寿命化を実現する
- 単品重量1kg未満の産業用機械小物駆動部品から、単品重量10tを超えるダイカストホルダーまで高強度に耐えられる強度部材
TFD650HE
- 従来のTFDシリーズの中で最も、高い靱性を実現
TFD650HH
- TFD600より、更に耐力を極限まで高めることで鋼クラスを超える高い剛性を実現
TFD600
- 伸び・耐力を極限まで高めることで鋼クラスの高い剛性を実現
試験片の組織写真
| FCD600 | TFD600 | TFD650HH | TFD800 | ||||||||
![]() |
![]() |
![]() |
![]() |
||||||||
| 引張り | 伸び | 硬度 | 引張り | 伸び | 硬度 | 引張り | 伸び | 硬度 | 引張り | 伸び | 硬度 |
| 662 | 8 | 212 | 634 | 12 | 219 | 679 | 11 | 212 | 953 | 3 | 295 |
| FCD600 | ||
|---|---|---|
![]() |
||
| 引張り | 伸び | 硬度 |
| 662 | 8 | 212 |
| TFD600 | ||
|---|---|---|
![]() |
||
| 引張り | 伸び | 硬度 |
| 634 | 12 | 219 |
| TFD650HH | ||
|---|---|---|
![]() |
||
| 引張り | 伸び | 硬度 |
| 679 | 11 | 212 |
| TFD800 | ||
|---|---|---|
![]() |
||
| 引張り | 伸び | 硬度 |
| 953 | 3 | 295 |
お客様との共同開発にも対応可能
お客様の個別ニーズに対応した特殊材質の研究開発にも積極的に取り組んでいます。
お客様の使用環境に合わせ、耐摩耗性、高硬度化、焼入れ性など様々な課題、条件に合わせてお客様との共同開発にも対応可能です。


















